商品検索
商品

形名を入力し、検索ボタンを押すと検索結果が表示されます。

形名検索形名検索
           
     

Global
Global

ホーム商品案内新商品情報JWシリーズSタイプ

JWシリーズSタイプ

what's new
JWシリーズSタイプ
電流容量10Aにパワーアップ

━小形で10A定格の高容量━
●照光式(LED内蔵)
JW-S照光式 JW-S照光式 JW-S照光式
JW-S照光式 JW-S照光式 JW-S照光式

●非照光式
単極単投 2極単投
JW-S単極単投 JW-S2極単投
●高容量(10A定格)
6A(従来品)から10Aにパワーアップ!小形でありながら,10A定格の高容量を実現。

●簡易防塵構造
操作部とケース部間にカバーを付加し,塵埃が侵入しにくい構造とし,接触信頼性を向上。

●スナップイン取付け
パネルへの取付けはスナップイン取付けとなっており,取付け工数が削減。

●絶縁性の向上
接点間距離3mm以上とし,絶縁性,耐圧性を向上。

●フラックスの浸入をシャットアウト
端子部はインサート成形により,フラックス等の浸入及び端子ガタの発生を防止し,接触の安定性を一層向上。

●シリーズ構成
JW-Sタイプは照光式、非照光式で構成されています。
照光式:LEDの色・緑、赤、黄 操作部の色・赤、黒
非照光式:操作部の色・赤、黒、白 本体の色・黒、白

●確実な切換え動作
確実な切換えと軽快な操作感

●省スペース化に貢献
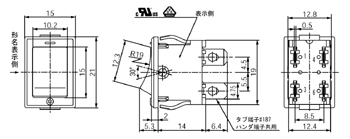
コンパクトサイズ(15×21mm)なので省スペース化に貢献

●タブ♯187兼用端子
端子は,はんだ端子とタブ端子(♯187)の兼用端子。

●欧米規格の取得
☆UL,C-UL(CSA規格適合),VDE規格認定品。
★タブ端子でのVDE規格は、取得しておりません。

主な用途
通信機器、無線応用装置、電子計測器、オートメーション機器、事務用機器、民生用電子機器、アミューズメント機器等
2007年6月1日出荷分より切替え
10A定格と6A定格(従来品)は製品本体の側面に表示されています。お間違えのないように充分ご注意の上ご使用ください。

詳細はこちらをどうぞ!(PDF849KB)

付属品(バリア)
AT-219-KAT-219-K
カラーバリエーション

外形図(照光式)
外形図

外形図(非照光式・単極単投)
外形図

外形図(非照光式・2極単投)
外形図

新商品一覧に戻る