トグル GシリーズG-22AV

LOADING
商品紹介
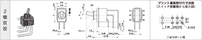
トグルスイッチ(Gシリーズ)・PC-V端子形:2極双投・操作部形状:基本レバー・丸洗い洗浄可能・ソフトな操作フィーリング・フラックスの浸入をシャットアウト・1/2インチカードラックに適用可能・レバー倒れ角度が大きい:28度・スライディングツインクロスバーコンタクト機構採用・全モールドタイプで静電耐圧に優れる・端子間ピッチはインチピッチ(2.54MM)採用・使用温度範囲:-25~85℃・用途:OA機器、無線機、業務用ビデオカメラ、交換機、電気計測器、制御盤等・EU-RoHS指令対応 形名:G-22AV
商品概要
| 形名 | G-22AV |
|---|---|
| カテゴリ | トグル |
| シリーズ | G |
| サブカテゴリ | 非照光式 スイッチ |
| 詳細表示用電流容量1 | 0.4VA MAX. 28V MAX. |
| 使用温度範囲(℃) | -25/+85 |
| 極数 | 2極 |
| 機能1 | ON-ON |
| 操作部形状 | 基本レバー |
| 端子部形状 | プリント基板バーティカル |
| 環境性能 | RoHS |




